DIM815 — Модуль дискретного ввода сигналов 230 В переменного тока, 6 каналов
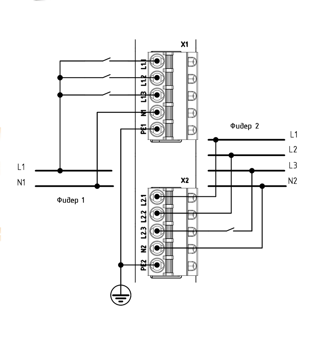
Предназначен для приема дискретных сигналов датчиков и контроля наличия фазного напряжения 230 В переменного тока и содержит шесть каналов дискретного ввода, разделённых на две независимые группы по 3 канала в каждой.
Каждая группа каналов имеет собственную изолированную цепь подключения нейтрали.
Все каналы модуля могут быть использованы как инкрементные циклические счетчики событий с частотой их следования до 10 Гц.
Функция фильтрации входного сигнала реализуется с помощью программно задаваемых для соответствующего канала задержек включения и выключения.
Модуль имеет 8 светодиодных индикаторов, 6 из которых используются для отображения логического состояния каждого канала модуля, и два – при наличии сигнала хотя бы на одном входном канале каждой группы.
Ответные части фронтального соединителя и соединитель шины FBUS входят в комплект поставки модуля.
Основные технические характеристики| Количество каналов дискретного ввода | 6 |
| Тип подключения | Однопроводное, двухпроводное |
| Входное напряжение относительно клемм нейтрали, В, переменного тока | 159...265 |
| Уровень логической единицы входного сигнала, В, переменного тока | 159…265 |
| Уровень логического ноля входного сигнала, В, переменного тока | 0…40 |
| Входной ток, мА, не более | 10 |
| Период опроса входных каналов, мс | 1 |
| Программируемая задержка включения и выключения (фильтрация входного сигнала), мс | 0 - 255 |
| Разрядность счётчиков событий, бит | 16 |
| Частота следования событий, Гц |
0-10 |
| Тип события на счётном канале | Передний фронт, задний фронт и передний-задний фронт |
| Сброс счётчиков | Индивидуальный |
| Длительность импульса в режиме "передний-задний фронт", мс, не менее | 1 |
| Диэлектрическая прочность изоляции, среднеквадратичное значение, В, в течение 1 мин |
|
|
между входами и межмодульной шиной |
2000 |
| между группами входов | 2000 |
| между входами и DIN-рейкой | 2000 |
| Потребляемая мощность от шины FBUS, Вт, не более | 0,5 |
| Среднее время наработки до отказа (MTTF), ч, не менее | 3 000 000 |
| Масса, г, не более | 130 |
| Номер для заказа | Наименование | Наличие на складе | |
|---|---|---|---|
Номер для заказа
DIM815-01 |
Наименование
Модуль дискретного ввода сигналов 230 В переменного тока, 6 каналов, 2 группы |
Наличие на складе
Под заказ |
заказать
|
